SELECTA 174 Top3:n minimikytkentäkapasiteetti on noin 10 mA. Asennetaan DIN-kiskoon. Varustettu LCD-näytöllä ja käyttöpainikkeella pistokkeen irrottamiseksi. Sijaintitiedot voidaan ohjelmoida koordinaattien tai maa-kaupunkiluettelon kautta ja huoltotoiminto mahdollistaa huoltovälien seurannan. Maksimaalinen suoja peukalointia vastaan, aikakytkentäohjelmat voidaan siirtää sovelluksesta kelloon vain Bluetooth-yhteyden avulla. Eri maiden siirtymäsäännöt on jo tallennettu. Omat siirtymäsäännöt tai vaihdot tehdään asetuksista.
Ominaisuudet
- Sovelluksen ohjelmointi mahdollista
- Suojaa tiedonsiirto Bluetooth Low Energy OBELISK top3:lla
- Maksimaalinen suoja peukalointia vastaan, aikakytkentäohjelmat voidaan siirtää sovelluksesta kelloon vain, jos Bluetooth
- 100 % yhteensopiva Top2:n kanssa
- Astronominen kytkentätoiminto (automaattinen auringonnousun ja -laskun aikojen laskeminen koko vuodelle)
- Siirtymä auringonnousun ja auringonlaskun aikojen mukaan
- Sijaintitiedot voidaan ohjelmoida koordinaattien tai maa-kaupunkiluettelon kautta
- Kiinteät ON-OFF-kytkennät voidaan ohjelmoida (esim. yökatkos)
- Kytkentäaikojen simulointi (lasketut astroajat ja ohjelmoidut ON-OFF-kytkennät)
- Astro-tila käännettävissä (illalla päällä – aamulla pois päältä tai illalla pois päältä – aamulla päällä) tai pois käytöstä
- DuoFix-pikakiinnike
- 2 johtimelle
- Lanka tai punos (kaapeliliittimellä tai ilman)
- Pistokkeen irrotuspainike
- Tekstiorientoitu käyttöliittymä näytöllä
- Esiasetettu päivämäärä ja -aika
- Täydellinen helppokäyttöisyys ilman verkkoliitäntää
- OBELISK TOP2 -muistikortin käyttöliittymä (PC-ohjelmointi)
- 2. liitettävä kytkentäohjelma
- Ohjelmien kopiointi
- Relejohtavan kytkimen ja suuren lampun kuormituksen nollapistekatkos (ei 24 V:n yksiköissä)
- Laskelmoidut astro-kytkentäajat
- Ohjelmoitavat ON/OFF-kytkentäajat
- Kytkimen esivalinta
- Pysyvä kytkentä päälle/pois päältä
- Integroitu operatiivinen laskuri
- Mahdollisuus nollata
- Huoltotoiminto huoltovälien valvomiseksi
- Lomaohjelma
- Valaistu näyttö (irrotettava)
- PIN-koodaus
- Automaattinen siirtyminen kesä- ja talviaikaan
- Deaktivoitavissa
- Eurooppaa, Yhdysvaltoja ja muita maita koskevat siirtymäsäännöt on jo tallennettu
- Omat siirtymäsäännöt tai vaihdot voi asettaa kiinteän päivämäärän jälkeen
| Tekniset tiedot: | |
| Käyttöjännite | 230 V AC |
| Taajuus | 50 – 60 Hz |
| Ympäristön lämpötila | -30°C…55°C |
| Langan läpimitta | 0,5–2,5 mm² |
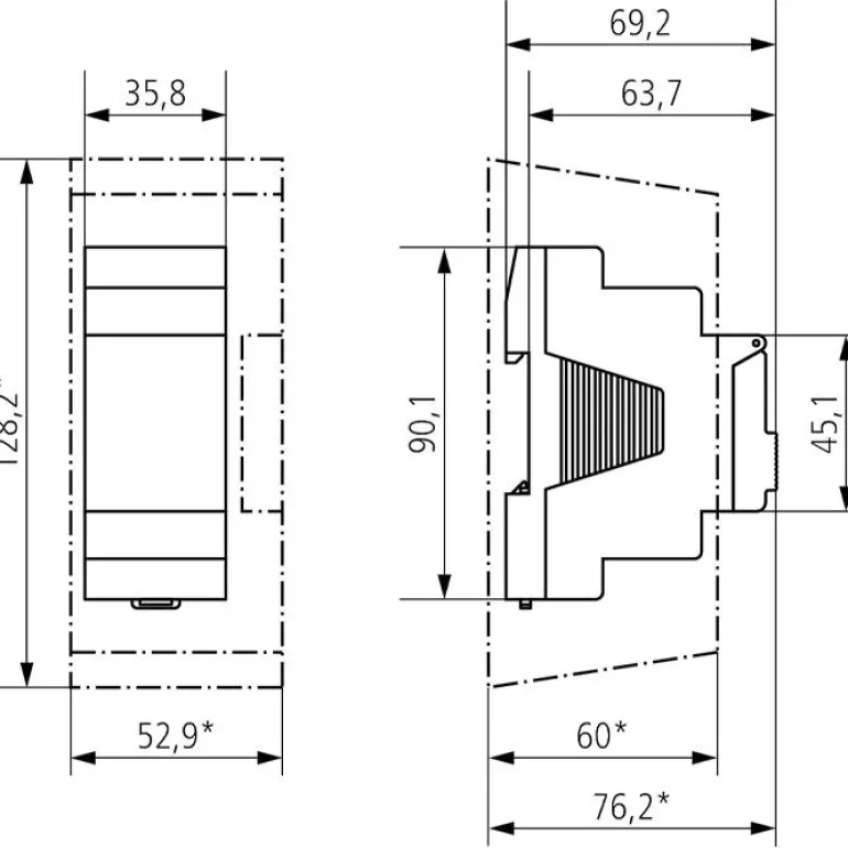
| Leveys | 2 moduuli |
| asennettava | DIN-kisko |
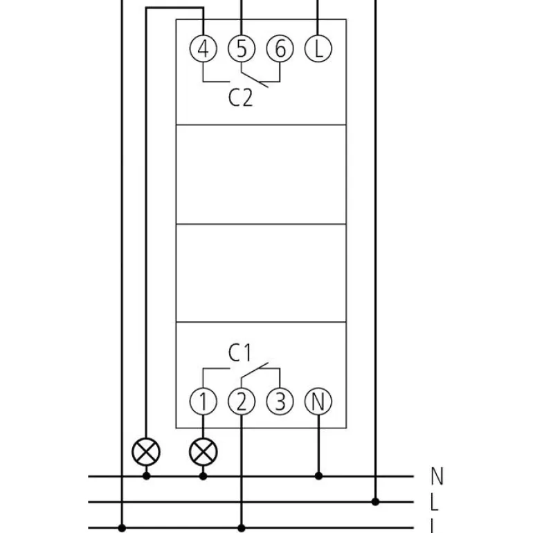
| Liitintyyppi | Vaihdin |
| Kytkimen lähtö | Vaiheesta riippumaton |
| Aukon leveys | < 3 mm (µ) |
| Ohjelma | Viikko-ohjelma, Astro-ohjelma |
| Kanavien lukumäärä | 2 |
| Muistipaikkojen lukumäärä | 56 |
| Tehoreservi | 10 vuosi |
| Kytkentäkapasiteetti 250 V AC, cos φ = 1 | 16 A |
| Kytkentäkapasiteetti 250 V AC, cos φ = 0,6 | 10 A |
| Hehkulampun/halogeenipolttimon kuormitus | 2600 W |
| Pienloistelamppu | 1100 W |
| LED-valo < 2 W | 50 W |
| LED-valo 2–8 W | 600 W |
| LED-valo > 8 W | 600 W |
| Loisteputken kuormitusta (VVG) ei kompensoida | 2600 VA |
| Loisteputken kuormitus (VVG) sarjakompensoitu | 2600 VA |
| Loisteputken kuormitus (VVG) rinnakkaiskompensoitu | 1300 VA |
| Alin kytkentäteho | n. 10 mA |
| Vähimmäiskytkentäaika | 1 min |
| Käyttötarkkuus lämpötilassa 25 °C | tyypillisesti ± 0,25 s/vrk (kvartsi) |
| Aikaperuste | Kvartsi |
| Valmiusteho | ~0,4 W |
| Liitäntätyyppi | DuoFix-liitäntäkiinnikkeet |
| Näyttö | Nestekidenäyttö |
| Ohjauspaneeli | 4 paineanturin säädintä |
| Kotelo- ja eristysmateriaalit | Korkean lämpötilan kestävät itsesammuvat termoplastit |
| Suojatyyppi | IP20 |
| Suojausluokka | II standardin EN 60730-1 mukaan |
Asennustyyppi :Putki
Säädettävä aikaväli :Kyllä
Ohjaustoiminto :Paino
Virta :16 A
IP-luokka :IP20
EAN :4003468170137
Valmistaja :
Valmistajan osoite :
Ota yhteyttä valmistajaan :Tiedot puuttuvat, ota meihin yhteyttä saadaksesi lisätietoja















Arviot
Tuotearvioita ei vielä ole.