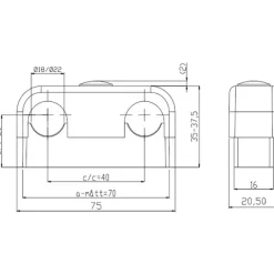
Valkoinen kaksiosainen kiinnike ulkohalkaisijaltaan 18–22 mm:n putkille. Mukana toimitetaan suojatulppa ruuvinreiän peittämiseen. Reikien välinen C/C-etäisyys on 40 mm.
Faluplast Original 16600 on valkoinen kaksiosainen kiinnike putkille, joiden ulkohalkaisija on 18–22 mm. Mukana toimitetaan suojatulppa ruuvinreiän peittämiseen. Reikien välinen C/C-etäisyys on 40 mm ja kiristimen C/V-etäisyys 20 mm. Kiinnikkeen mitat ovat 75 x 37 x 20,5 mm (P x L x K).
Ominaisuudet
- Väri: Valkoinen
- Materiaali: PP
- Valitse sopiva korotuspala ja tiiviste A-mitan mukaan
Toimituksen sisältö
- 1 kpl suojatulppa
| Tekniset tiedot: | |
| Rakenne | Kaksiosainen |
| K/k-etäisyys | 40 mm |
| C/V-etäisyys | 20 mm |
| A-mitta (katso kuva) | 70 mm |
| Pituus | 75 mm |
| Leveys | 37 mm |
| Korkeus | 20,5 mm |
Materiaali :Muovi
Putkikiinnike :Kaksinkertainen
Väri :Valkoinen
Putken halkaisija, maks. :22 mm
EAN :7392791166007
Valmistaja :
Valmistajan osoite :
Ota yhteyttä valmistajaan :Tiedot puuttuvat, ota meihin yhteyttä saadaksesi lisätietoja














Arviot
Tuotearvioita ei vielä ole.